Magna Precisione Iniectio Machina
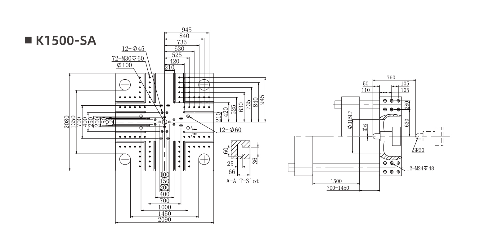
K1500-SA
PREV PRODUCT:K1850-SA
NEXT PRODUCT:K1300-SA
| DESCRIPTIO | AS | K1500-SA | ||||
| International size RATING | 18200 | |||||
| A | B | C | D | |||
| INCIENDIUM AS | Screw diam | mm | 130 | 140 | 150 | 160 |
| Screw L: D ratio | 23.7 | 22 | 20.5 | 19.3 | ||
| iecit volumen | cm3 | 9291 | 10776 | 12370 | 14074 | |
| Iaculat pondus (PS) | g* | 8455 | 9806 | 11257 | 12807 | |
| oz * | 298.2 | 345.9 | 397.1 | 451.7 | ||
| Iniectio pressura | Bar | 1959 | 1689 | 1471 | 1293 | |
| Iniectio rate | cm3/s | 1341 | 1555 | 1785 | 2031 | |
| Facultatem Plasticizing | g/s* | 156 | 195 | 229 | 246 | |
| Max.screw celeritas | r/min | 113 | ||||
| INCAENDIUM AS | vi clamping | kN | 15000 | |||
| Spatium inter catenas | mm | 1450x1350 | ||||
| Platens magnitudine | mm | 2090x2080 | ||||
| Foramen plaga | mm | 1500 | ||||
| Min.mdd altitudo | mm | 700 | ||||
| Max.mold altitudo | mm | 1450 | ||||
| Distantia platens (die) | mm | 2950 | ||||
| Plaga ejector | mm | 350 | ||||
| Vi ejector | kN | 320 | ||||
| Numerus eiector | 25 | |||||
| Unitas POTESTAS | Systema pressura | Bar | 175 | |||
| Sentinam motricium | kW | 42 54 54 | ||||
| Calefactio facultatem | kW | 91 | ||||
| GENERALIS | Facultatem oleum cisternina | L | 1300 | |||
| Apparatus dimensio (LxWxH) | m * m * m * | 13.8x3.1x4.5 | ||||
| Apparatus pondus | t | 87 | ||||
| Infundibulum facultatem | kg | 400 | ||||
| No | Component configuratione | Brand | Locus originis | Configurationis scope |
| 1 | controller | Taiwan Techmation (AK628) 8-inch aluminium milling | Taiwan | K110-230 |
| 2 | controller | Taiwan Techmation (TECH1) 8-inch aluminium milling | Taiwan | K270-460 |
| 3 | controller | Taiwan Techmation (TECH2) 12 pollicis aluminium milling | Taiwan | K530-800 |
| 4 | Servo oleum sentinam | USA ALTE-TECH | U.S.A | Plena range |
| 5 | servo motricium | PERIODO | Italia | Plena range |
| 6 | servo coegi | PERIODO | Italia | Plena range |
| 7 | Servo ornamentum | Germania Rexroth | Germania | Libitum |
| 8 | Reverse valvae | Iaponia YUKEN | Taiwan | Plena range |
| 9 | Reverse valvae | USA VICKERS | U.S.A | Libitum |
| 10 | Pre plastic motricium | DANDUN | China | Plena range |
| 11 | Forma adjusting motricium | DANDUN | China | Plena range |
| 12 | elementum signantes | U.KHALLITE | Britannia | Plena range |
| 13 | lubrication system | HERG | China | Plena range |
| 14 | Interruptio potentiae | SCHNEIDER ELECTRIC | Gallia | Plena range |
| 15 | caeli switch | SCHNEIDER ELECTRIC | Gallia | Plena range |
| 16 | Electronic princeps | Bonny | U.S.A | Plena range |
| 17 | Electronic princeps | NOVOtek | Germania | Libitum |
| 18 | Nullam statum solidum | FOTEK | Taiwan | Plena range |
| 19 | Travel switch | SCHNEIDER ELECTRIC | Gallia | Plena range |
| 20 | Propinquitas switch | FOTEK | Taiwan | Plena range |
| 21 | stupra dolium | TONGDA | China | Full range |
Princeps vexillum officinas
Ningbo KSM Machinery Vestibulum Co.,Ltd. Est cooperatio cum Italia technologiae speciales summus gradus plasticus in productione summi gradus machinae plasticae. Nostra corporatio sita est in Ningbo Beilun Xing Ao Industrial Park. R&D plures personas habemus et cum coetu technicae incepti cooperatur. Ut sit amet China K1500-SA-Magna Precisione Iniectio Machina instructus et OEM/ODM K1500-SA-Magna Precisione Iniectio Machina societas, Maxime praecisionem iniectionis machinarum fingentium cum vi claminationis ab 110T ad 1850T producit. Producti altam structuram rigiditatem habent et elementa hydraulica & electrica invecta instructa, cochleae cum capite mixtionis adhibitae, ad plastitiam praestandam perficiendam et aptam ad varias fabricas injectiones plasticas et ad ordinem uers'specialem in promptu sunt. Cum eius corperatio constituta est, famae incepti semper animum attendit, scientifica, administratio rationabilibus exsequi, cum qualitate prae-venditionis, venditionis et post-venditionis officia ad faciendam ingentem numerum fiduciae et approbationis usoris. In sententia "honesti permanemus, in melius serva, vim in qualitate ponunt, in conatu numquam relaxantur". Gratum est sincere ab omnibus amicis ducendum. Societas investigationis et progressionis centrum habet cum validis evolutionis viribus. Eodem tempore cooperatur cum universitatibus et collegiis domesticis ad iniectionem et inquisitionem enucleandam et plasticam productionem instrumenti et machinae iniectio. Societas caligarum probatio instrumentorum et armorum experimentorum processit. Nuper, R&D centrum multas res gestas in injectione machinae et instrumento plastico consecutus est, Flexilis vulcanizationis processus et progressus formulationis. Lorem domi et foris invitare ad officinas nostras visitandas, et ad diuturnum tuum tempus corporationem expectamus ut pulchram cras tibi efficiam!
Quid elige nobis
Nostram habemus probationem labrum et apparatum inspicientem provectum et integrum, quod efficere potest ut qualitas fructus ab instrumento nostro productus sit.
Facultas productionis annuae nostrae supra 500 iniectio machinae fingentis est.
Summus qualitas products ad summum endmarkets intendunt. Producti nostri in linea cum signis internationalibus maxime exportantur in Europam, Americam, Iaponiam et alia loca circum orbem terrarum.
Tantum XV chiliometrorum ab Ningbo Porto sumus, commodissimum et efficax est bona navis quibusvis aliis regionibus.
Guarantee High Quality Cum Nostra Peritia
Authentica qualitas certissima naturaliter eminet et nullam comparationem timet.
Provide te cum recentissimo incepto et industriae nuntio
1. Basic notio multi-cavitatis formae Formae multi-cavitatis referuntur ad occasum multarum ca...
1. Energy efficientiam perficiendi DELICIAE iniectio machinarum corona DELICIAE iniectio ma...
Ut praecipuum instrumentum in productione industriae modernae, automation of " DELICIAE iniec...
In injectione processus coronae, forma temperaturae systematis temperantiae munus vitale agit. Fo...
Plastic iniectio machinarum coronarum munus vitale in industria recentiore agant. Possunt e...
In hodiernis fabricandis, formae necessariae sunt et clavis componentis iniectio processus corona...